Temperaturmesser TPM-10
f. ein gasförmiges Medium


Bezeichnung; TPM-10
Medium: gasförmig, kornfrei
Messsbereich: -20 bis 70°C 
Genauigkeit:  0,6%
Schutzart: IP61
Ansprechzeit: ca. 1sec
Betriebsspannung: 24VAC od. DC -+10% 
Stromaufnahme: ca. 60mA 
Messwertausgang: 0(4)-20mA od. 0-10V
Bürde: < 500 Ohm
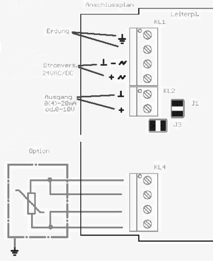
Schraubklemme: f. 0,5mm Draht
Befestigung: 50x70mm
Sondenlänge: max. 90mm
Sondendurchmesser: 12mm
oder als Option Transmitter (ohne Sonde)
in 4 Draht-Technik f. Wid.  PT100/1000 
Anwendungsbereiche:      Reinraum-,Kälte-,Klimatech.  Preis 224€/St. 

Der Temperaturmesser TPM-10  wandelt einen Temperatur abhängigen elektrischen Widerstand (RT) in ein normiertes Analogsignal um. Der optionale Anschluß des Fühlers erfolgt in der der 4 Draht- Technik.  Bei dieser  Methode werden zwei Leitungen für die die Zufuhr eines konstanten Stromes (1 od. 4mA) verwendet und mit den beiden verbleibenden Leitungen wird der Spannungsabfall über dem Widerstand, welcher dann proportional ist, gemessen. Mit diese Methode wird praktisch der Einfluß des Leitungswiderstandes aufgehoben, so daß ein Leitungabgleich gänzlich entfällt. Somit läßt sich dann mittels einer Widerstandsdekade und einer normierten RT-Kennlinie beispielsweise DIN IEC 751 das gewünschte Ausgangsignal über die Temperatur einfach einstellen. Das Analogsignal ist wahlweise als Strom- (0(4)-20mA) oder als Spannungsausgang (0-10V) erhältlich. 

Anfragen unter: